所属分类: 贴片轻触开关
浏览次数: 0次
发布时间: 2018-12-03
南宫28相信品牌的力量-ng28电子游戏官网入口-南宫ng28注册平台入口-南宫28在线登录-南宫28圈电脑版-南宫集团加拿大28-南宫28NG国际-南宫28注册入口-南宫28在线注册网站
南宫28相信品牌的力量-ng28电子游戏官网入口-南宫ng28注册平台入口-南宫28在线登录-南宫28圈电脑版-南宫集团加拿大28-南宫28NG国际-南宫28注册入口-南宫28在线注册网站
电话:0769-82750877
地址:广东省东莞市茶山镇超横路181号3号楼 309房

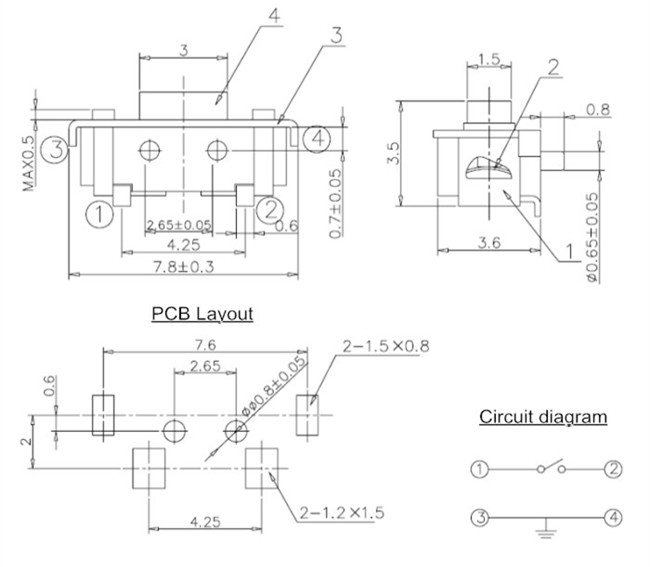
产品规格: | 6×3.5×3.85mm | 高 度: | 3.85mm |
额定电流: | 50mA,12VDC | 介电强度: | 250V AC for 1 min |
工作温度: | -20 to +70℃ | 开关行程: | 0.25±0.1mm |
绝缘电阻: | 100mΩ min.100V DC | 操 作 力: | 160gf/260gf |
接触电阻: | 100mΩ max |

